鋁合金線棒
Lean Tube Profile
Lean Tube Profile
聯系APAS / Contact us
- 地址:天津市西青經濟技術開發區賽達國際工業城A3-2.
- 郵箱:lxc@apas.com.cn
- 電話:022-87920088
- 傳真:請聯系網絡管理員
- 郵編:300385
- 咨詢熱線:13702119190(24小時服務熱線)
密封件 / $class.en$
產品名稱 / Name
精益管端面封堵
產品描述 / Describe
端面封堵材質為LDPE塑料材質,主要應用于φ28鋁合金精益管型材端面封閉處理,可以起到防塵作用,同時還可以避免精益管型材切割刀口與工件接觸導致工件磨損劃傷,起保護作用;
022-87920088
可以根據需求進行設計加工,提供上門安裝服務;可以根據特殊需求進行鋁型材開模定制。
* 免費提供工業鋁型材選型手冊 →點擊咨詢
|
|
![]() ![]()
|
|
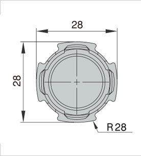
(第三代鋁合金精益管型材端面封堵二維參數)
|
|
產品規格
|
材質
|
重量kg/套
|
訂貨編號
|
|
端面封堵
|
LDPE
|
0.018
|
D28-JT-Q
|
|
端面封堵是根據第三代鋁合金精益管型材φ28系列標準規格產品而開發的輔助配件,主要應用于精益管型材端面圓孔封閉處理,只需要將配件插入精益管型材端面即可,特殊的配件結構設計具有很大的摩擦力,可以避免脫落現象發生; |
聯系APAS/ Contact us
天津艾普斯工業鋁型材股份有限公司
聯系電話:022-87920088
企業傳真:(避免惡意廣告)請聯系該企業網絡管理員
服務熱線:13702119190 (24小時服務熱線)
Q Q:534973906
企業郵箱: lxc@apas.com.cn
企業地址:天津市西青經濟技術開發區賽達國際工業城A3-2
聯系電話:022-87920088
企業傳真:(避免惡意廣告)請聯系該企業網絡管理員
服務熱線:13702119190 (24小時服務熱線)
Q Q:534973906
企業郵箱: lxc@apas.com.cn
企業地址:天津市西青經濟技術開發區賽達國際工業城A3-2
采購意向留言:* 為必填











.jpg)



QQ咨詢
電話聯系
聯系電話

在線留言
樣冊下載
