鋁型材配件
Product accessories
Product accessories
聯系APAS / Contact us
- 地址:天津市西青經濟技術開發區賽達國際工業城A3-2.
- 郵箱:lxc@apas.com.cn
- 電話:022-87920088
- 傳真:請聯系網絡管理員
- 郵編:300385
- 咨詢熱線:13702119190(24小時服務熱線)
鋁型材連接角件 / Corner connector
產品名稱 / Name
輕型鋁型材角件
產品描述 / Describe
輕型鋁型材角件應用于輕型鋁型材框架90度直角結構快速連接,主要適用于20系列工業鋁型材框架結構的組裝連接,材質為6063-T5鋁擠壓型材,具有較高的強度及韌性;
022-87920088
可以根據需求進行設計加工,提供上門安裝服務;可以根據特殊需求進行鋁型材開模定制。
* 免費提供工業鋁型材選型手冊 →點擊咨詢
|
|
![]() ![]()
|
|
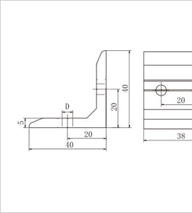
(輕型鋁型材角件二維參數)
|
| ? |
|
適用型材規格
|
D(mm)
|
材質
|
訂貨編號
|
|
40×40
|
φ6
|
6063-T5
|
CE-L4040-2038
|
| ? |
|
輕型鋁型材角件主要應用于20系列鋁型材直角連接,最大長度為6020mm,可以根據客戶應用需求進行切割加工處理,是較為常用的輕型鋁型材框架連接配件之一; |
?
聯系APAS/ Contact us
天津艾普斯工業鋁型材股份有限公司
聯系電話:022-87920088
企業傳真:(避免惡意廣告)請聯系該企業網絡管理員
服務熱線:13702119190 (24小時服務熱線)
Q Q:534973906
企業郵箱: lxc@apas.com.cn
企業地址:天津市西青經濟技術開發區賽達國際工業城A3-2
聯系電話:022-87920088
企業傳真:(避免惡意廣告)請聯系該企業網絡管理員
服務熱線:13702119190 (24小時服務熱線)
Q Q:534973906
企業郵箱: lxc@apas.com.cn
企業地址:天津市西青經濟技術開發區賽達國際工業城A3-2
采購意向留言:* 為必填















QQ咨詢
電話聯系
聯系電話

在線留言
樣冊下載
