在線選型手冊
Selection Guide
Selection Guide
聯系APAS / Contact us
- 地址:天津市西青經濟技術開發區賽達國際工業城A3-2.
- 郵箱:lxc@apas.com.cn
- 電話:022-87920088
- 傳真:請聯系網絡管理員
- 郵編:300385
- 咨詢熱線:13702119190(24小時服務熱線)
在線選型手冊
/ Selection Guide

鋁型材規格選型大全圖
產品描述 / Name
本內容主要介紹6063-T5系列鋁型材規格尺寸表,以及鋁型材產品規格型號和物理參數,用戶可以根據該表進行鋁型材規格選型,從而進行各種框架結構的設計構思;
022-87920099
可以根據需求進行設計加工,提供上門安裝服務;可以根據特殊需求進行鋁型材開模定制。
* 免費提供工業鋁型材選型手冊 →點擊咨詢
內容來源:http://www.hongjiayoumotor.cn 作者:武將 發布日期:2019年12月09日 10時20分 閱讀次數:59149 次
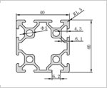
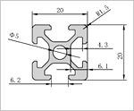
| 20系列(6063-T5)鋁型材規格選型及其用途: | |||||||
| 20系列鋁型材主要包括2020、2020R、2040、2060、2080以及4040(雙槽)等多種規格,表面經過噴砂、銀白陽極氧化處理,具有較強的耐候性、耐蝕性以及抗氧化變色能力等;20系列鋁型材槽寬為6mm,需要搭配20系列專用緊固連接配件方可實現框架結構的組裝搭建;20系列鋁型材屬于輕型框架材料,物理強度以及承載能力相對較低,主要適用于一些輕型框架結構的設計組裝,如:設備防護罩、輕型設備框架、科研實驗模型等; | |||||||
| ? | |||||||
|
? |
|
? |
鋁型材規格
|
材質
|
單位質量
|
慣性矩Ix
|
|
20×20
|
鋁AL6063/T5
|
0.6kg/m
|
0.94
|
||||
|
慣性矩Iy
|
彎矩Wx
|
彎矩Wy
|
訂貨編號
|
||||
|
0.94
|
0.94
|
0.94
|
P6-2020
|
||||
| ? | |||||||
|
? |
|
? |
鋁型材規格
|
材質
|
單位質量
|
慣性矩Ix
|
|
20×20R
|
鋁AL6063/T5
|
0.56kg/m
|
0.72
|
||||
|
慣性矩Iy
|
彎矩Wx
|
彎矩Wy
|
訂貨編號
|
||||
|
0.72
|
0.66
|
0.79
|
P6-2020R
|
||||
| ? | |||||||
|
? |
|
? |
鋁型材規格
|
材質
|
單位質量
|
慣性矩Ix
|
|
20×40
|
鋁AL6063/T5
|
1.05kg/m
|
1.65
|
||||
|
慣性矩Iy
|
彎矩Wx
|
彎矩Wy
|
訂貨編號
|
||||
|
6.28
|
1.65
|
3.15
|
P6-2040
|
||||
| ? | |||||||
|
? |
|
? |
鋁型材規格
|
材質
|
單位質量
|
慣性矩Ix
|
|
20×60
|
鋁AL6063/T5
|
1.47kg/m
|
2.34
|
||||
|
慣性矩Iy
|
彎矩Wx
|
彎矩Wy
|
訂貨編號
|
||||
|
19.32
|
2.34
|
6.44
|
P6-2060
|
||||
| ? | |||||||
|
? |
|
? |
鋁型材規格
|
材質
|
單位質量
|
慣性矩Ix
|
|
20×80
|
鋁AL6063/T5
|
1.91kg/m
|
3.06
|
||||
|
慣性矩Iy
|
彎矩Wx
|
彎矩Wy
|
訂貨編號
|
||||
|
43.28
|
3.04
|
10.82
|
P6-2080
|
||||
| ? | |||||||
|
? |
|
? |
鋁型材規格
|
材質
|
單位質量
|
慣性矩Ix
|
|
40×40
|
鋁AL6063/T5
|
1.62kg/m
|
10.92
|
||||
|
慣性矩Iy
|
彎矩Wx
|
彎矩Wy
|
訂貨編號
|
||||
|
10.92
|
5.46
|
5.46
|
P6-4040
|
||||
| ? | |||||||
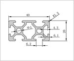
| 30系列(6063-T5)鋁型材規格選型及其產品用途: | |||||||
| 30系列鋁型材產品主要包括3030、3030-2N90、3030-2N180、3030R、3030重型鋁型材、3060、3090、30150以及6060(雙槽)規格等,其中6060雙槽規格鋁型材屬于30系列重型框架型材,可以與其它規格型材相配合使用,用于一些承載能力要求較高框架結構的設計組裝;30系列規格鋁型材槽寬為8mm,表面經過噴砂、銀白陽極氧化處理,具有很高的抗氧化能力,主要適用于一些對于物理性能要求相對較高的工業框架結構,如流水線操作臺、設備防護罩、物料架、物料車等; | |||||||
| ? | |||||||
|
? |
|
? |
鋁型材規格
|
材質
|
單位質量
|
慣性矩Ix
|
|
30×30
|
鋁AL6063/T5
|
1.15kg/m
|
3.69
|
||||
|
慣性矩Iy
|
彎矩Wx
|
彎矩Wy
|
訂貨編號
|
||||
|
3.69
|
2.46
|
2.46
|
P8-3030
|
||||
| ? | |||||||
|
? |
|
? |
鋁型材規格
|
材質
|
單位質量
|
慣性矩Ix
|
|
30×30-2N90
|
鋁AL6063/T5
|
1.17kg/m
|
3.94
|
||||
|
慣性矩Iy
|
彎矩Wx
|
彎矩Wy
|
訂貨編號
|
||||
|
3.94
|
2.50
|
2.77
|
P8-3030-2N90
|
||||
| ? | |||||||
|
? |
|
? |
鋁型材規格
|
材質
|
單位質量
|
慣性矩Ix
|
|
30×30-2N180
|
鋁AL6063/T5
|
1.05kg/m
|
3.29
|
||||
|
慣性矩Iy
|
彎矩Wx
|
彎矩Wy
|
訂貨編號
|
||||
|
3.82
|
3.29
|
3.82
|
P8-3030-2N180
|
||||
| ? | |||||||
|
? |
|
? |
鋁型材規格
|
材質
|
單位質量
|
慣性矩Ix
|
|
30×30R
|
鋁AL6063/T5
|
1.15kg/m
|
3.30
|
||||
|
慣性矩Iy
|
彎矩Wx
|
彎矩Wy
|
訂貨編號
|
||||
|
3.30
|
2.34
|
2.07
|
P8-3030R
|
||||
| ? | |||||||
|
? |
|
? |
鋁型材規格
|
材質
|
單位質量
|
慣性矩Ix
|
|
30×30W
|
鋁AL6063/T5
|
1.21kg/m
|
3.99
|
||||
|
慣性矩Iy
|
彎矩Wx
|
彎矩Wy
|
訂貨編號
|
||||
|
3.99
|
2.65
|
2.65
|
P8-3030W
|
||||
| ? | |||||||
|
? |
|
? |
鋁型材規格
|
材質
|
單位質量
|
慣性矩Ix
|
|
30×60
|
鋁AL6063/T5
|
2.09kg/m
|
7.03
|
||||
|
慣性矩Iy
|
彎矩Wx
|
彎矩Wy
|
訂貨編號
|
||||
|
26.72
|
4.70
|
8.91
|
P8-3060
|
||||
| ? | |||||||
|
? |
|
? |
鋁型材規格
|
材質
|
單位質量
|
慣性矩Ix
|
|
30×90
|
鋁AL6063/T5
|
3.04kg/m
|
10.39
|
||||
|
慣性矩Iy
|
彎矩Wx
|
彎矩Wy
|
訂貨編號
|
||||
|
85.00
|
6.93
|
18.89
|
P8-3090
|
||||
| ? | |||||||
|
? |
|
? |
鋁型材規格
|
材質
|
單位質量
|
慣性矩Ix
|
|
30×150
|
鋁AL6063/T5
|
4.87kg/m
|
17.02
|
||||
|
慣性矩Iy
|
彎矩Wx
|
彎矩Wy
|
訂貨編號
|
||||
|
366.00
|
11.35
|
48.80
|
P8-30150
|
||||
| ? | |||||||
|
? |
|
? |
鋁型材規格
|
材質
|
單位質量
|
慣性矩Ix
|
|
60×60
|
鋁AL6063/T5
|
3.31kg/m
|
48.26
|
||||
|
慣性矩Iy
|
彎矩Wx
|
彎矩Wy
|
訂貨編號
|
||||
|
48.26
|
16.08
|
16.08
|
P8-6060
|
||||
| ? | |||||||
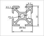
| 40系列(60663-T5)鋁型材規格選型及其產品用途: | |||||||
| 40系列鋁型材屬于6063-T5材質框架型材中規格品類最多應用最為廣泛的產品,其中包括多種大型或重型框架型材,如:4080、4080輕型、4080重型、8080、8080輕型、8080重型、80120等規格;該規格鋁型材主要主用于物理性能高、承載能力強以及抗屈服能力較強的框架結構的設計組裝,如:車間防護圍欄、流水線操作臺、鋁型材貨架、科研實驗平臺、設備防護罩等; | |||||||
| ? | |||||||
|
? |
|
? |
鋁型材規格
|
材質
|
單位質量
|
慣性矩Ix
|
|
40×40
|
鋁AL6063/T5
|
2.00kg/m
|
10.88
|
||||
|
慣性矩Iy
|
彎矩Wx
|
彎矩Wy
|
訂貨編號
|
||||
|
10.88
|
5.43
|
5.43
|
P8-4040
|
||||
| ? | |||||||
|
? |
|
? |
鋁型材規格
|
材質
|
單位質量
|
慣性矩Ix
|
|
40×40-2N90
|
鋁AL6063/T5
|
2.17kg/m
|
11.79
|
||||
|
慣性矩Iy
|
彎矩Wx
|
彎矩Wy
|
訂貨編號
|
||||
|
11.79
|
5.95
|
5.97
|
P8-4040-2N90
|
||||
| ? | |||||||
|
? |
|
? |
鋁型材規格
|
材質
|
單位質量
|
慣性矩Ix
|
|
40×40-2N180
|
鋁AL6063/T5
|
2.18kg/m
|
11.48
|
||||
|
慣性矩Iy
|
彎矩Wx
|
彎矩Wy
|
訂貨編號
|
||||
|
12.30
|
5.73
|
6.15
|
P8-4040-2N180
|
||||
| ? | |||||||
|
? |
|
? |
鋁型材規格
|
材質
|
單位質量
|
慣性矩Ix
|
|
40×40A
|
鋁AL6063/T5
|
1.97kg/m
|
11.99
|
||||
|
慣性矩Iy
|
彎矩Wx
|
彎矩Wy
|
訂貨編號
|
||||
|
11.99
|
5.99
|
5.99
|
P8-4040A
|
||||
| ? | |||||||
|
? |
|
? |
鋁型材規格
|
材質
|
單位質量
|
慣性矩Ix
|
|
40×40L
|
鋁AL6063/T5
|
1.56kg/m
|
9.17
|
||||
|
慣性矩Iy
|
彎矩Wx
|
彎矩Wy
|
訂貨編號
|
||||
|
9.17
|
4.58
|
4.58
|
P8-4040L
|
||||
| ? | |||||||
|
? |
|
? |
鋁型材規格
|
材質
|
單位質量
|
慣性矩Ix
|
|
40×40R
|
鋁AL6063/T5
|
1.95kg/m
|
8.89
|
||||
|
慣性矩Iy
|
彎矩Wx
|
彎矩Wy
|
訂貨編號
|
||||
|
8.89
|
5.07
|
3.95
|
P8-4040R
|
||||
| ? | |||||||
|
? |
|
? |
鋁型材規格
|
材質
|
單位質量
|
慣性矩Ix
|
|
40×40W
|
鋁AL6063/T5
|
2.41kg/m
|
13.03
|
||||
|
慣性矩Iy
|
彎矩Wx
|
彎矩Wy
|
訂貨編號
|
||||
|
13.03
|
6.51
|
6.51
|
P8-4040W
|
||||
| ? | |||||||
|
? |
|
? |
鋁型材規格
|
材質
|
單位質量
|
慣性矩Ix
|
|
40×60
|
鋁AL6063/T5
|
3.17kg/m
|
17.47
|
||||
|
慣性矩Iy
|
彎矩Wx
|
彎矩Wy
|
訂貨編號
|
||||
|
35.88
|
8.74
|
11.96
|
P8-4060
|
||||
| ? | |||||||
|
? |
|
? |
鋁型材規格
|
材質
|
單位質量
|
慣性矩Ix
|
|
40×80
|
鋁AL6063/T5
|
3.52kg/m
|
20.22
|
||||
|
慣性矩Iy
|
彎矩Wx
|
彎矩Wy
|
訂貨編號
|
||||
|
81.73
|
10.11
|
20.44
|
P8-4080
|
||||
| ? | |||||||
|
? |
|
? |
鋁型材規格
|
材質
|
單位質量
|
慣性矩Ix
|
|
40×80A
|
鋁AL6063/T5
|
3.58kg/m
|
21.78
|
||||
|
慣性矩Iy
|
彎矩Wx
|
彎矩Wy
|
訂貨編號
|
||||
|
83.85
|
10.89
|
20.97
|
P8-4080A
|
||||
| ? | |||||||
|
? |
|
? |
鋁型材規格
|
材質
|
單位質量
|
慣性矩Ix
|
|
40×80L
|
鋁AL6063/T5
|
2.83kg/m
|
16.86
|
||||
|
慣性矩Iy
|
彎矩Wx
|
彎矩Wy
|
訂貨編號
|
||||
|
67.65
|
8.44
|
16.91
|
P8-4080L
|
||||
| ? | |||||||
|
? |
|
? |
鋁型材規格
|
材質
|
單位質量
|
慣性矩Ix
|
|
40×80W
|
鋁AL6063/T5
|
4.25kg/m
|
24.87
|
||||
|
慣性矩Iy
|
彎矩Wx
|
彎矩Wy
|
訂貨編號
|
||||
|
95.72
|
12.43
|
23.93
|
P8-4080W
|
||||
| ? | |||||||
|
? |
|
? |
鋁型材規格
|
材質
|
單位質量
|
慣性矩Ix
|
|
80×80
|
鋁AL6063/T5
|
5.93kg/m
|
153.26
|
||||
|
慣性矩Iy
|
彎矩Wx
|
彎矩Wy
|
訂貨編號
|
||||
|
153.26
|
38.31
|
38.31
|
P8-8080
|
||||
| ? | |||||||
|
? |
|
? |
鋁型材規格
|
材質
|
單位質量
|
慣性矩Ix
|
|
80×80A
|
鋁AL6063/T5
|
5.32kg/m
|
144.44
|
||||
|
慣性矩Iy
|
彎矩Wx
|
彎矩Wy
|
訂貨編號
|
||||
|
144.44
|
36.11
|
36.11
|
P8-8080A
|
||||
| ? | |||||||
|
? |
|
? |
鋁型材規格
|
材質
|
單位質量
|
慣性矩Ix
|
|
80×80L
|
鋁AL6063/T5
|
4.67kg/m
|
127.47
|
||||
|
慣性矩Iy
|
彎矩Wx
|
彎矩Wy
|
訂貨編號
|
||||
|
127.47
|
31.86
|
31.86
|
P8-8080L
|
||||
| ? | |||||||
|
? |
|
? |
鋁型材規格
|
材質
|
單位質量
|
慣性矩Ix
|
|
80×80W
|
鋁AL6063/T5
|
6.91kg/m
|
177.37
|
||||
|
慣性矩Iy
|
彎矩Wx
|
彎矩Wy
|
訂貨編號
|
||||
|
177.37
|
44.34
|
44.34
|
P8-8080W
|
||||
| ? | |||||||
|
? |
|
? |
鋁型材規格
|
材質
|
單位質量
|
慣性矩Ix
|
|
40×120 |
鋁AL6063/T5
|
5.64kg/m
|
32.67
|
||||
|
慣性矩Iy
|
彎矩Wx
|
彎矩Wy
|
訂貨編號
|
||||
|
286.65
|
16.33
|
47.78
|
P8-40120
|
||||
| ? | |||||||
|
? |
|
? |
鋁型材規格
|
材質
|
單位質量
|
慣性矩Ix
|
|
40×160
|
鋁AL6063/T5
|
6.07kg/m
|
39.59
|
||||
|
慣性矩Iy
|
彎矩Wx
|
彎矩Wy
|
訂貨編號
|
||||
|
550.89
|
19.8
|
66.25
|
P8-40160
|
||||
| ? | |||||||
|
? |
|
? |
鋁型材規格
|
材質
|
單位質量
|
慣性矩Ix
|
|
80×120
|
鋁AL6063/T5
|
9.25kg/m
|
276.09
|
||||
|
慣性矩Iy
|
彎矩Wx
|
彎矩Wy
|
訂貨編號
|
||||
|
589.329
|
69.02
|
98.22
|
P8-80120
|
||||
| ? | |||||||
| 45系列(6063-T5)鋁型材規格選型及其產品用途: | |||||||
| 45系列鋁型材屬于高強度、高承載框架材料,具有較高的物理性能及抗屈服能力,主要適用于大型工業承載框架的設計組裝;45系列鋁型材具有多種規格,可以根據不同技術需求進行選型,其中包括4590和9090重型框架型材,可用于大型設備框架、飛機檢修平臺、立體倉儲等高承載框架產品的搭建; | |||||||
| ? | |||||||
|
? |
|
? |
鋁型材規格
|
材質
|
單位質量
|
慣性矩Ix
|
|
45×45
|
鋁AL6063/T5
|
2.74kg/m
|
18.93
|
||||
|
慣性矩Iy
|
彎矩Wx
|
彎矩Wy
|
訂貨編號
|
||||
|
18.93
|
8.41
|
8.41
|
P10-4545
|
||||
| ? | |||||||
|
? |
|
? |
鋁型材規格
|
材質
|
單位質量
|
慣性矩Ix
|
|
45×45-2N90
|
鋁AL6063/T5
|
2.45kg/m
|
18.27
|
||||
|
慣性矩Iy
|
彎矩Wx
|
彎矩Wy
|
訂貨編號
|
||||
|
18.27
|
8
|
8.24
|
P10-4545-2N90
|
||||
| ? | |||||||
|
? |
|
? |
鋁型材規格
|
材質
|
單位質量
|
慣性矩Ix
|
|
45×45-2N180
|
鋁AL6063/T5
|
2.45kg/m
|
19.08
|
||||
|
慣性矩Iy
|
彎矩Wx
|
彎矩Wy
|
訂貨編號
|
||||
|
17.46
|
8.49
|
7.76
|
P10-4545-2N180
|
||||
| ? | |||||||
|
? |
|
? |
鋁型材規格
|
材質
|
單位質量
|
慣性矩Ix
|
|
45×45L
|
鋁AL6063/T5
|
2.28kg/m
|
16.74
|
||||
|
慣性矩Iy
|
彎矩Wx
|
彎矩Wy
|
訂貨編號
|
||||
|
16.74
|
7.45
|
7.45
|
P10-4545L
|
||||
| ? | |||||||
|
? |
|
? |
鋁型材規格
|
材質
|
單位質量
|
慣性矩Ix
|
|
45×45R
|
鋁AL6063/T5
|
2.13kg/m
|
13.18
|
||||
|
慣性矩Iy
|
彎矩Wx
|
彎矩Wy
|
訂貨編號
|
||||
|
13.18
|
6.59
|
5.3
|
P10-4545R
|
||||
| ? | |||||||
|
? |
|
? |
鋁型材規格
|
材質
|
單位質量
|
慣性矩Ix
|
|
45×60
|
鋁AL6063/T5
|
3.13kg/m
|
21.98
|
||||
|
慣性矩Iy
|
彎矩Wx
|
彎矩Wy
|
訂貨編號
|
||||
|
37.08
|
9.76
|
12.36
|
P10-4560
|
||||
| ? | |||||||
|
? |
|
? |
鋁型材規格
|
材質
|
單位質量
|
慣性矩Ix
|
|
45×90
|
鋁AL6063/T5
|
4.74kg/m
|
33.06
|
||||
|
慣性矩Iy
|
彎矩Wx
|
彎矩Wy
|
訂貨編號
|
||||
|
140.95
|
14.69
|
31.32
|
P10-4590
|
||||
| ? | |||||||
|
? |
|
? |
鋁型材規格
|
材質
|
單位質量
|
慣性矩Ix
|
|
45×90L
|
鋁AL6063/T5
|
4.01kg/m
|
30.97
|
||||
|
慣性矩Iy
|
彎矩Wx
|
彎矩Wy
|
訂貨編號
|
||||
|
110.00
|
13.77
|
23.14
|
P10-4590L
|
||||
| ? | |||||||
|
? |
|
? |
鋁型材規格
|
材質
|
單位質量
|
慣性矩Ix
|
|
90×90
|
鋁AL6063/T5
|
7.39kg/m
|
240.40
|
||||
|
慣性矩Iy
|
彎矩Wx
|
彎矩Wy
|
訂貨編號
|
||||
|
240.40
|
53.43
|
53.43
|
P10-9090
|
||||
| ? | |||||||
| 50系列鋁型材規格選型及其產品用途: | |||||||
| 50系列鋁型材規格品類相對較少,其中包括:5050、50100、100100等規格,屬于重型框架材料;50系列型材槽寬未8mm,可采用40系列槽8型材專用緊固件及50系列專用連接配件實現快速組裝;50系列鋁型材中100100規格型材屬于常用重載框架材料,主要適用于高強度、高承載、高性能框架結構的組裝搭建,例如:立體倉庫、生產線踏臺、飛機檢修平臺等; | |||||||
| ? | |||||||
|
? |
|
? |
鋁型材規格
|
材質
|
單位質量
|
慣性矩Ix
|
|
50×50
|
鋁AL6063/T5
|
3.84kg/m
|
33.57
|
||||
|
慣性矩Iy
|
彎矩Wx
|
彎矩Wy
|
訂貨編號
|
||||
|
33.57
|
13.43
|
13.43
|
P8-5050
|
||||
| ? | |||||||
|
? |
|
? |
鋁型材規格
|
材質
|
單位質量
|
慣性矩Ix
|
|
50×100
|
鋁AL6063/T5
|
7.2kg/m
|
66.60
|
||||
|
慣性矩Iy
|
彎矩Wx
|
彎矩Wy
|
訂貨編號
|
||||
|
248.81
|
26.64
|
49.75
|
P8-50100
|
||||
| ? | |||||||
|
? |
|
? |
鋁型材規格
|
材質
|
單位質量
|
慣性矩Ix
|
|
100×100
|
鋁AL6063/T5
|
13.89kg/m
|
580.82
|
||||
|
慣性矩Iy
|
彎矩Wx
|
彎矩Wy
|
訂貨編號
|
||||
|
580.82
|
116.17
|
116.17
|
P8-100100
|
||||
| ? | |||||||
| 60系列鋁型材規格選型及其產品用途: | |||||||
| ? | |||||||
|
? |
|
? |
鋁型材規格
|
材質
|
單位質量
|
慣性矩Ix
|
|
60×60
|
鋁AL6063/T5
|
4.78kg/m
|
58.79
|
||||
|
慣性矩Iy
|
彎矩Wx
|
彎矩Wy
|
訂貨編號
|
||||
|
58.79
|
19.59
|
19.59
|
P10-6060
|
||||
| ? | |||||||
| 以上內容為6063-T5系列鋁型材規格選型手冊,主要描述了各種規格鋁型材的產品特性以及主要用途;6063-T5系類鋁型材屬于工業框架型材,具有很高的物理強度及產品性能,表面經過噴砂、銀白陽極氧化處理,表面氧化膜層12μm以上,具有很高的耐候性、抗氧化能力,從而保證鋁型材在不同使用環境中的使用性能; | |||||||
聯系APAS/ Contact us
天津艾普斯工業鋁型材股份有限公司
聯系電話:022-87920088
企業傳真:(避免惡意廣告)請聯系該企業網絡管理員
服務熱線:13702119190 (24小時服務熱線)
Q Q:534973906
企業郵箱: lxc@apas.com.cn
企業地址:天津市西青經濟技術開發區賽達國際工業城A3-2
聯系電話:022-87920088
企業傳真:(避免惡意廣告)請聯系該企業網絡管理員
服務熱線:13702119190 (24小時服務熱線)
Q Q:534973906
企業郵箱: lxc@apas.com.cn
企業地址:天津市西青經濟技術開發區賽達國際工業城A3-2
采購意向留言:* 為必填













QQ咨詢
電話聯系
聯系電話

在線留言
樣冊下載
