連接件模型
Connector Model
Connector Model
聯系APAS / Contact us
- 地址:天津市西青經濟技術開發區賽達國際工業城A3-2.
- 郵箱:lxc@apas.com.cn
- 電話:022-87920088
- 傳真:請聯系網絡管理員
- 郵編:300385
- 咨詢熱線:13702119190(24小時服務熱線)
連接件模型
/ Connector Model

30系列(單槽)鋁型材45度角碼3d模型
產品描述 / Name
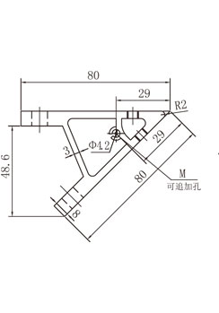
45度(單槽)鋁型材角碼適用于3030規格工業鋁型材45度或135度框架結構連接組裝,以下內容提供了3030規格型材角碼技術參數,設計師可以下載型材角碼3d模型進行鋁型材框架的設計構思;
022-87920099
可以根據需求進行設計加工,提供上門安裝服務;可以根據特殊需求進行鋁型材開模定制。
* 免費提供工業鋁型材選型手冊 →點擊咨詢
內容來源:http://www.hongjiayoumotor.cn/ 作者:武將 發布日期:2020年09月25日 10時41分 閱讀次數:6136 次
| 該規格連接件屬于30系列工業鋁型材(單槽)專用配件,適用于3030系列工業鋁型材(如3030、3030-2N180、3030輕型、3030重型)框架45度結構的組裝連接,可以搭配專用緊固連接件(彈片螺母、半圓頭螺栓)實現快速組裝,是組裝鋁型材框架常用的連接件之一; |
|
|
![]() ![]()
|
| ? |
| 30系列45度型材角件屬于6063-T5系列鋁鎂合金型材材料,常用于工業鋁型材之間45度或135度角連接,起支撐作用;L的最大長度為6020mm,側面有攻絲孔,可以進行攻絲加工處理,用于安裝側面封板;型材角件的優勢在于其強度和韌性,連接強度高且在受到較大扭力情況下不會出現炸裂情況; |
| ? |
|
槽型規格
|
L(mm)
|
D(mm)
|
M
|
材質
|
訂貨編號
|
|
槽8
|
26
|
φ6.5/φ8.5
|
M5
|
6063-T5
|
CE-L8080-3026
|
聯系APAS/ Contact us
天津艾普斯工業鋁型材股份有限公司
聯系電話:022-87920088
企業傳真:(避免惡意廣告)請聯系該企業網絡管理員
服務熱線:13702119190 (24小時服務熱線)
Q Q:534973906
企業郵箱: lxc@apas.com.cn
企業地址:天津市西青經濟技術開發區賽達國際工業城A3-2
聯系電話:022-87920088
企業傳真:(避免惡意廣告)請聯系該企業網絡管理員
服務熱線:13702119190 (24小時服務熱線)
Q Q:534973906
企業郵箱: lxc@apas.com.cn
企業地址:天津市西青經濟技術開發區賽達國際工業城A3-2
采購意向留言:* 為必填














QQ咨詢
電話聯系
聯系電話

在線留言
樣冊下載
