連接件模型
Connector Model
Connector Model
聯系APAS / Contact us
- 地址:天津市西青經濟技術開發區賽達國際工業城A3-2.
- 郵箱:lxc@apas.com.cn
- 電話:022-87920088
- 傳真:請聯系網絡管理員
- 郵編:300385
- 咨詢熱線:13702119190(24小時服務熱線)
連接件模型
/ Connector Model

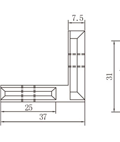
30系列鋁型材角槽連接件3d(數模)模型
產品描述 / Name
3030規格鋁型材角槽連接件適用于兩支鋁型材之間的90度直角連接,可以下載角槽連接件(數模)三維模型進行鋁型材框架結構的設計組裝;
022-87920099
可以根據需求進行設計加工,提供上門安裝服務;可以根據特殊需求進行鋁型材開模定制。
* 免費提供工業鋁型材選型手冊 →點擊咨詢
內容來源:http://www.hongjiayoumotor.cn 作者:武將 發布日期:2020年04月03日 11時15分 閱讀次數:3161 次
|
該規格鋁型材角槽連接件適用于3030規格鋁型材之間90度直角連接,裝配時分別將連接配件兩端分別插入兩支型材槽內,然后利用頂絲鎖緊即可,屬于常用的快速連接配件之一; |
![]() ![]()
|
| 3030規格鋁型材角槽連接配件局有兩種材質,分別為碳鋼和鋁合金兩種,碳鋼材質角槽連接件物理強度高,表面經過鍍鋅或鍍鎳處理,鋁合金材質角槽連接件韌性強,表面經過陽極氧化處理,兩種處理方式都很大程度上提升了連接配件的抗氧化耐腐蝕能力; |
|
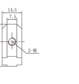
槽型規格
|
螺栓型號
|
材質
|
訂貨編號
|
|
槽8
|
M6(頂絲)
|
碳鋼或鋁合金
|
CE-IB3137-M6-8-30
|
聯系APAS/ Contact us
天津艾普斯工業鋁型材股份有限公司
聯系電話:022-87920088
企業傳真:(避免惡意廣告)請聯系該企業網絡管理員
服務熱線:13702119190 (24小時服務熱線)
Q Q:534973906
企業郵箱: lxc@apas.com.cn
企業地址:天津市西青經濟技術開發區賽達國際工業城A3-2
聯系電話:022-87920088
企業傳真:(避免惡意廣告)請聯系該企業網絡管理員
服務熱線:13702119190 (24小時服務熱線)
Q Q:534973906
企業郵箱: lxc@apas.com.cn
企業地址:天津市西青經濟技術開發區賽達國際工業城A3-2
采購意向留言:* 為必填














QQ咨詢
電話聯系
聯系電話

在線留言
樣冊下載
