連接件模型
Connector Model
Connector Model
聯系APAS / Contact us
- 地址:天津市西青經濟技術開發區賽達國際工業城A3-2.
- 郵箱:lxc@apas.com.cn
- 電話:022-87920088
- 傳真:請聯系網絡管理員
- 郵編:300385
- 咨詢熱線:13702119190(24小時服務熱線)
連接件模型
/ Connector Model

30系列鋁型材彈性扣件3d模型
產品描述 / Name
3030規格鋁型材彈性扣件主要適用于震動環境下應用框架的組裝連接,能有效的防止松動,可以下載彈性扣件SLDWORKS三維模型進行框架的設計組裝;
022-87920099
可以根據需求進行設計加工,提供上門安裝服務;可以根據特殊需求進行鋁型材開模定制。
* 免費提供工業鋁型材選型手冊 →點擊咨詢
內容來源:http://www.hongjiayoumotor.cn 作者:武將 發布日期:2020年04月02日 11時27分 閱讀次數:2464 次
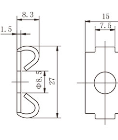
| 30系列鋁型材彈性扣件適用于30系列槽8規格鋁型材之間直角連接,將其插入一端型材槽內,搭配相應規格螺栓配套使用,彈性扣件主要適用于震動環境下應用框架的組裝連接,可以有效地防止松動; |
![]() ![]()
|
| 彈性扣件屬于碳鋼材質連接件,表面經過鍍鋅或鍍鎳處理,增強了連接件的耐腐蝕能力,屬于較為常用的緊固連接配件之一;彈性扣件裝配前需要對鋁型材端部中心孔進行攻絲處理,然后利用相應規格圓柱頭螺栓搭配彈性扣件固定于型材端部后與另一支型材相連接即可; |
|
槽型規格
|
螺紋
|
材質
|
訂貨編號
|
|
槽8
|
M8
|
碳鋼(鍍鋅或鍍鎳)
|
CE-SF30
|
聯系APAS/ Contact us
天津艾普斯工業鋁型材股份有限公司
聯系電話:022-87920088
企業傳真:(避免惡意廣告)請聯系該企業網絡管理員
服務熱線:13702119190 (24小時服務熱線)
Q Q:534973906
企業郵箱: lxc@apas.com.cn
企業地址:天津市西青經濟技術開發區賽達國際工業城A3-2
聯系電話:022-87920088
企業傳真:(避免惡意廣告)請聯系該企業網絡管理員
服務熱線:13702119190 (24小時服務熱線)
Q Q:534973906
企業郵箱: lxc@apas.com.cn
企業地址:天津市西青經濟技術開發區賽達國際工業城A3-2
采購意向留言:* 為必填















QQ咨詢
電話聯系
聯系電話

在線留言
樣冊下載
