連接件模型
Connector Model
Connector Model
聯系APAS / Contact us
- 地址:天津市西青經濟技術開發區賽達國際工業城A3-2.
- 郵箱:lxc@apas.com.cn
- 電話:022-87920088
- 傳真:請聯系網絡管理員
- 郵編:300385
- 咨詢熱線:13702119190(24小時服務熱線)
連接件模型
/ Connector Model

45系列鋁型材彈性螺母3d(數模)模型
產品描述 / Name
彈性螺母塊是較為常用的鋁型材緊固連接配件產品,主要適用于鋁型材框架結構的緊固連接,可以下載彈性螺母塊SLDWORKS三維模型進行工業框架的組裝搭建;
022-87920099
可以根據需求進行設計加工,提供上門安裝服務;可以根據特殊需求進行鋁型材開模定制。
* 免費提供工業鋁型材選型手冊 →點擊咨詢
內容來源:http://www.hongjiayoumotor.cn 作者:武將 發布日期:2020年03月24日 11時35分 閱讀次數:2951 次
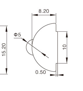
| 45系列鋁型材彈性螺母適用于槽10規格鋁型材框架結構的緊固連接;彈性螺母安裝時不需要預先安裝,可以直接將彈性螺母塞進安裝點,底部彈簧鋼球可以將螺母固定于安裝位置,使用非常簡單便捷; |
![]() ![]()
|
| 45系列鋁型材彈性螺母具有4種規格型號,區別在于彈性螺母中心螺紋孔規格不同,可以適用于不同規格的緊固螺栓; |
|
槽型規格
|
螺紋
|
材質
|
訂貨編號
|
|
槽10
|
M5
|
碳鋼(鍍鋅或鍍鎳)
|
CE-HRN5-10-45
|
|
槽10
|
M6
|
碳鋼(鍍鋅或鍍鎳)
|
CE-HRN6-10-45
|
|
槽10
|
M8
|
碳鋼(鍍鋅或鍍鎳)
|
CE-HRN8-10-45
|
|
槽10
|
M10
|
碳鋼(鍍鋅或鍍鎳)
|
CE-HRN10-10-45
|
聯系APAS/ Contact us
天津艾普斯工業鋁型材股份有限公司
聯系電話:022-87920088
企業傳真:(避免惡意廣告)請聯系該企業網絡管理員
服務熱線:13702119190 (24小時服務熱線)
Q Q:534973906
企業郵箱: lxc@apas.com.cn
企業地址:天津市西青經濟技術開發區賽達國際工業城A3-2
聯系電話:022-87920088
企業傳真:(避免惡意廣告)請聯系該企業網絡管理員
服務熱線:13702119190 (24小時服務熱線)
Q Q:534973906
企業郵箱: lxc@apas.com.cn
企業地址:天津市西青經濟技術開發區賽達國際工業城A3-2
采購意向留言:* 為必填















QQ咨詢
電話聯系
聯系電話

在線留言
樣冊下載
